|
|
|
Splittere
si distribuitoare
ISeria
SI ISeria DI ISeria
STSI ISeria STDI ISeria STI ISeria
DTI
Seria
STD - Distribuitoare stea de interior cu atenuari multiple

Descriere
functionala
-
Distribuitoare
de banda larga de inalta calitate, cu iesire directa
-
Banda
de frecventa: 5…900 MHz
-
Realizate
pentru utilizarea in retele de cablu interactive CATV / MATV
-
Disponibile
cu 10, (6+6), (8+4) iesiri atenuate, cu atenuari multiple
-
La comanda
se pot realiza alte configuratii ca numar de intrari - iesiri
-
Carcasa
din tabla, cu 12 sau 16 mufe frontale
| Date
tehnice generale |
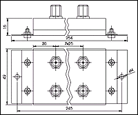
| Dimensiuni L x l x H |
245 x 49 x 15mm
|
| Greutate |
aprox. 0,275 Kg
|
| Gama temperatura operare |
0…+70 grd.C
|
| Impedanta: toate porturile |
75 ohm
|
| Conexiuni: toate porturile |
F mama
|
| Caracteristici
tehnice |
| Model STD 10 |
|
|
| Atenuare |
IN - OUT |
7 dB
|
| |
IN - TAP 1 |
12 dB
|
| |
IN - TAP 2 |
13 dB
|
| |
IN - TAP 3 |
14 dB
|
| |
IN - TAP 4 |
14 dB
|
| |
IN - TAP 5 |
15 dB
|
| |
IN - TAP 6 |
16 dB
|
| |
IN - TAP 7 |
17 dB
|
| |
IN - TAP 8 |
18 dB
|
| |
IN - TAP 9 |
18 dB
|
| |
IN - TAP 10 |
19 dB
|
| Izolatie intre oricare 2
iesiri |
min
iesire atenuata - iesire
directa |
30 db
min 23 dB
|
| |
tipic
iesire atenuata - iesire
directa |
34 dB
min 27 dB
|
| Neliniaritate |
|
+/- 0,6 dB
|
| Model STD (6 + 6) |
|
|
| Atenuare |
IN – OUT |
5 dB
|
| |
IN - TAP 1 |
12 dB
|
| |
IN - TAP 2 |
13 dB
|
| |
IN - TAP 3 |
14 dB
|
| |
IN - TAP 4 |
14 dB
|
| |
IN - TAP 5 |
15 dB
|
| |
IN - TAP 6 |
16 dB
|
| |
IN' – OUT' |
5 dB
|
| |
IN' - TAP 1' |
12 dB
|
| |
IN' - TAP 2' |
13 dB
|
| |
IN' - TAP 3' |
14 dB
|
| |
IN' - TAP 4' |
14 dB
|
| |
IN' - TAP 5' |
15 dB
|
| |
IN' - TAP 6' |
16 dB
|
| Izolatie intre oricare 2
iesiri |
min
iesire atenuata - iesire
directa |
30 dB
min 23 dB
|
| |
tipic
iesire atenuata - iesire
directa |
34 dB
min 27 dB
|
| Neliniaritate |
|
+/- 0,6 dB
|
| Modeal STD (8 +4) |
|
|
| Atenuare |
IN - OUT |
5 dB
|
| |
IN - TAP 1 |
12 dB
|
| |
IN - TAP 2 |
13 dB
|
| |
IN - TAP 3 |
14 dB
|
| |
IN - TAP 4 |
14 dB
|
| |
IN - TAP 5 |
15 dB
|
| |
IN - TAP 6 |
16 dB
|
| |
IN - TAP 7 |
17 dB
|
| |
IN - TAP 8 |
17 dB
|
| |
IIN' – OUT' |
2,5 dB
|
| |
IN' - TAP 1' |
12 dB
|
| |
IN' - TAP 2' |
13 dB
|
| |
IN' - TAP 3' |
14 dB
|
| |
IN' - TAP 4' |
14 dB
|
| Izolatie intre oricare 2
iesiri |
min
iesire atenuata - iesire
directa |
30 dB
min 23 dB
|
| |
tipic
iesire atenuata - iesire
directa |
34 dB
min 27 dB
|
| Neliniaritate |
|
+/- 0,6 dB
|
|
|
|
|
Schema
de montaj distribuitor STD 10
|
Schema
de montaj distribuitor
STD
( 6+6 )
|
|
|
|