Home Despre noi Produse Service/Suport Contact
                   
Filtre

IFiltre trece bandaI IFiltre trece banda - distribuitorI IFiltre trece josI
IFiltre diplexoareI IFiltre de rejectie canalI
IFiltre de rejectie cale inversaI IFiltru distribuitor cu rejectie cale inversaI

FD, FDR - Filtre diplexoare 

FD 40
FDR 40

Descriere functionala
  • Filtre diplexoare pentru retele CATV/MATV
  • Permit separarea semnalului direct de semnalul de cale inversa
  • Atenuare mare in spectrul de separare, atenuare de insertie mica
  • Proiectare modulara
  • Se pot realiza diferite benzi de frecventa pentru calea directa / calea inversa
  • Carcasa din tabla
Date tehnice generale  
FD 40/47 sau 65/84
FDR 40/47 sau 65/84
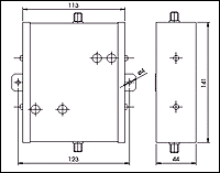
Dimensiuni L x l x H  
116 x 24 x 24 mm
123 x 141 x 44 mm
Greutate  
aprox. 0,080 Kg
aprox. 0,385 Kg
Gama temperatura operare  
-25…+70 grd. C
-25…+70 grd. C
Conexiuni: intrari
F mama
F mama
  iesire
F mama
F mama
Impedanta  
75 ohm
75 ohm
Caracteristici tehnice
Banda de trecere calea directa
47 sau 84…900 MHz
47 sau 84…900 MHz
  calea inversa
3…40 sau 65 MHz
3…40 sau 65 MHz
Calea directa atenuare banda trecere
< 1 dB
< 1 dB
  atenuare banda blocare
> 60 dB
> 60 dB
Calea inversa atenuare banda trecere
< 1 dB
< 1 dB
  atenuare banda blocare
> 60 dB
> 60 dB
Reglaj nivel calea directa
 
0…20 dB
  calea inversa
 
0…20 dB
Reglaj tilt calea directa
 
0…19 dB
 
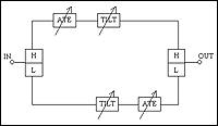
Schema bloc filtru diplexor FD 40/47, FD 65/84
Schema de montaj filtru diplexor FD 42/47, FD 65/84
Schema bloc filtru diplexor 
FD 40/47, FD 65/84
Schema de montaj filtru diplexor 
FD 42/47, FD 65/84 
Schema bloc filtru diplexor reglabil FDR 40/47, FDR 65/84
Schema de montaj filtru diplexor reglabil FDR 40/47, FDR 65/84
Schema bloc filtru diplexor reglabil 
FDR 40/47, FDR 65/84
Schema de montaj filtru diplexor reglabil 
FDR 40/47, FDR 65/84