|
|
|
Convertoare
CATV
IConvertor
C 100I IConvertor cu telecomanda CT-1000I
CT
1000 - Convertor de frecventa FIF – UIF cu telecomanda

Descriere
functionala
-
Convertoare
de frecventa FIF - UIF profesionale pentru utilizatori in retele CATV /
MATV
-
Frecventa
intrare: 40…550 MHz
-
Frecventa
iesire: 175,25 MHz
-
Selectarea
canalelor si a comenzilor Pornit/Oprit din telecomanda
-
Carcasa
din plastic
| Date
tehnice generale |
|
CT
1000
|
| Dimensiuni L x l x H |
|
214 x 190 x 50 mm
|
| Greutate |
|
aprox. 1,135 Kg
|
| Tensiune alimentare |
|
220 Vac, 50 Hz
|
| Puterea absorbita |
|
500 VA
|
| Gama temperatura operare |
|
-25…+70 grd. C
|
| Impedanta |
toate porturile |
75 ohm
|
| Conexiuni |
intrare |
F mama
|
| |
iesire |
F mama
|
| Caracteristici
tehnice |
| Gama frecventa intrare |
calea directa |
40…550 MHz
|
| Frecventa iesire |
amplificata |
175,25 MHz
|
|
|
|
|
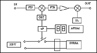
Schema
bloc convertor CT 1000
|
Schema
de montaj convertor CT 1000
|
|
|
|